| 规格\型号 Specification and model | WGNC-255N/255DN | |||
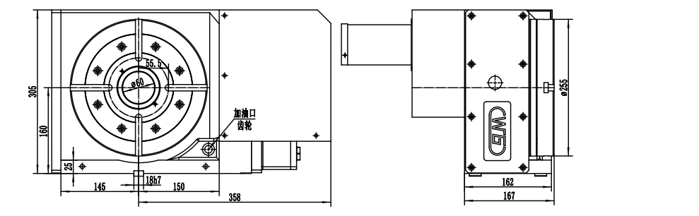
| 旋转直径 Rotating diameter | Ф255mm | |||
| 贯穿孔径 Penetrating aperture | WGNC-255N Φ33mm | |||
WGNC-255DN Φ60mm | ||||
| 中心高 center height | 160mm | |||
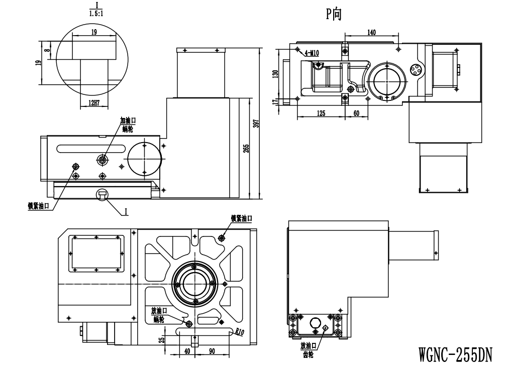
| 工作台T型槽宽度 Workbench T-shaped slot width | 12mm | |||
| 基准定位块宽度 Width of benchmark positioning block | 18mm | |||
| 蜗轮齿数 Number of worm gear teeth | 72 | |||
| 伺服马达(可依客户需求指定品牌) Servo motor (brand can be specified according to customer needs) | FANUC | MITSUBISHI | ||
| β iS8 | α iF4 | HA 83 | Hf 104 | |
| 总减速比 total reduction ratio | 1/180 | |||
| 最小设定单位 Minimum setting unit | 0.001° | |||
| 最高回转数 Maximum number of rotations | 16.6 r.p.m (马达 motor 3000r.p.m) | |||
| 锁紧装置油压使用压力 Locking device air pressure usage pressure | 油压35kg/cm² oil pressure | |||
| 夹紧扭矩 Clamping torque | 50kg-m(油压35kg/cm² ) | |||
| 分度精度 Indexing accuracyy | 15" | |||
| 重复精度 Repetitive accuracy | 4" | |||
| 容许工作物荷重 Allowable work load | 使用尾座 250 kg Horizontal use | |||
立式使用 140kg Vertical use | ||||
| 容许工作惯量 Allowable working inertia | 15Kg-cm-sec² | |||
| 容许切削扭矩 Allowable cutting torque | 60kg-m | |||
| 容许承载工作物直径 Allowable diameter for carrying the workpiece | Ф255 mm | |||
| 重量(不含马达) Weight (excluding motor) | 88kg | |||




联系方式:
公司地址:
企业邮箱:
销售电话:
售后电话:
传真: